【机情无限 精彩毕设】机械2021届毕业设计(论文)中期检查优秀案例分享第二十一期
《3万t重载组合列车制动系统方案设计》
学生姓名:蒋吉鑫
班学生级:车辆2017-02班
指导教师:王俊勇
毕设题目:3万t重载组合列车制动系统方案设计
一、概况
1.选题意义
通过“3万吨重载组合列车制动系统方案”毕业设计,了解大秦线“HXD1型重载组合列车制动系统”和“HXD2型重载组合列车制动系统”结构组成、技术性能、作用原理、控制方法。同时,参考借鉴南非、巴西、加拿大、美国重载组合列车制动系统技术文献,结合自己学过的机械传动与控制、机械设计、机械制图、ECP通讯技术、计算机控制与网络技术等书本知识,对比分析ECP制动技术和无线网络LOCOTROL同步操作制动与牵引技术,设计、开发一套适合我国重载线路的3万吨及以上重载组合列车制动系统方案设计。
图1 大秦线2万t重载组合列车
在整个毕业设计阶段,不忘初心、牢记使命,坚决拥护共产党的领导,热爱祖国;坚持政治意识、大局意识、核心意识、看齐意识;坚持中国特色社会主义道路自信、理论自信、制度自信、文化自信;坚决维护习近平总书记党中央的核心、全党的核心地位,坚决维护党中央权威和集中统一领导;为中华民族的伟大复兴作出应有的贡献。
2.任务分解
第一部分:绪论 —— 1周
第二部分:3万吨重载组合列车制动系统工作机理与结构组成 —— 2周
第三部分:3万吨重载组合列车制动系统总体方案设计与选型 —— 3周
第四部分:电力机车制动系统方案设计与选型 —— 2周
第五部分:车辆制动机方案设计与选型 —— 1周
第六部分:制动仿真与紧急制动距离计算校核 —— 3周
评阅及答辩:审定,装订,准备答辩 —— 1周
二、已完成工作
1.绪论
介绍了此次设计选题的背景,并在此基础上介绍了国内外重载铁路运输的发展历史,由重载运输的发展历史再细化到国内外重载货车制动系统的发展历史,并简要介绍了重载组合列车的概念。通过对重载运输及其制动系统的陈述,表达出重载铁路运输的重要性及进一步发展重载的现实意义。
表1 国外主要铁路重载运输基本情况
国家 | 主要重载线路 | 重载线路里程/km | 最大轴重/t | 一般牵引重量/t | 主要线路类型 | |
美国 | BNSF、UP、CSX、Ns、KCS | 19.4万 | 39 | 12000~20000 | 准轨66kg | |
加拿大 | CP、CN | 4.7万 | 39 | 12000~20000 | 准轨66kg | |
澳大利亚 | BHP | 462 | 35.7 | 20000 | 准轨66kg | |
QR | 1600 | 25 | 8000 | 窄轨54kg | ||
南非 | Orex | 861 | 28~30 | 20000 | 窄轨60kg | |
COALlink | 580 | 26 | 20000 | 窄轨57kg | ||
巴西 | CVRD | 892 | 30 | 21000 | 宽轨68kg | |
MRS、Logistica、SA | 980 | 30 | 15000 | 宽轨60kg | ||
瑞典 | LKAB | 540 | 30 | 8500 | 准轨50kg |
表2 北美干线货车空气制动阀及制动系统的发展
控制阀型号 | K | AB | ABD | ABDW/DB-60 | ABDX/DB-60 | |||
开始使用年代 | 1910’ | 1930’ | 1960’ | 1970’/1980’ | 1990’ | |||
主要的新性能 | 连续式常用急制动 减速充气与减速缓解 | 两段式常用急制动 常用制动保证缓解 独立的紧急部 紧急制动时制动缸压力分3阶级上升 紧急制动后得加速缓解 | 紧急制动时制动缸压力分2阶段上升 常用制动加速缓解 | 加速常用制动作用(AAV) | 能适应加长货车 | |||
主要的新结构 | 金属涨圈+滑阀研磨密封 | 金属涨圈+滑阀研磨密封 金属涨圈采用自动润滑 中间体内设专用滤尘器 | 橡胶模板+滑阀研磨密封 其他部位:橡胶止阀,“O”型圈柱塞 | 增设脉动式AAV装置 DB-60取消滑阀,采用全橡胶密封结构 | 将AVV并入紧急滑阀 用塑料减磨装置防止铝合金活塞的润滑恶化 | |||
货车制动系统(配套制动部件) | ||||||||
制动缸 | 非密封式制动缸 | 密封式制动缸 | 密封式制动缸 | 密封式(旋压)制动缸 | 密封式(旋压)制动缸 | |||
空重车装置 | —— | 部分车辆装有双制动缸的ABEL两级自动空重车装置 | 部分车辆装有单制动缸的ABLC多级自动空重车装置 | SC-1/ELX等两级自动空重车装置 | ELX等两级自动空重车装置 | |||
管路连接密封 | 螺纹连接,麻丝铅油密封 | 法兰连接,橡胶垫密封 | 法兰连接,橡胶垫密封 | 法兰连接,橡胶垫密封 | 法兰连接,橡胶垫密封 | |||
塞门及管路附件 | 锥芯金属研磨塞门 | 锥芯金属研磨塞门 | 大通量球芯橡胶密封塞门及软管连接器 | 大通量球芯橡胶密封塞门及软管连接器 | 大通量球芯橡胶密封塞门及软管连接器 | |||
闸调器 | —— | —— | 双向闸调器 | 双向闸调器 | 双向闸调器 | |||
闸瓦 | 铸铁闸瓦 | 铸铁闸瓦 | 铸铁闸瓦(合成闸瓦) | 高摩合成闸瓦 | 高摩合成闸瓦 | |||
转向架安装的制动装置 | —— | —— | —— | 部分特殊车辆装用 WABCOPAC等直推式 | 部分特殊车辆装用TMX等杠杆式
|
表3 国内干线货车空气控制阀及制动系统的发展
控制阀型号 |
| K | GK | 103 | 120/120-1 | |||
开始使用年代 |
| 约1930’ | 1950’ | 1970’ | 1990’/120-1为2000’ | |||
主要的新性能 |
| 连续式常用急制动 减速充气与减速缓解 | 能适配14英寸制动缸,适应60t级货车需要,增强连续式常用急制动紧急制动时制动缸压力分3阶段上升 | 两段式常用急制动 独立的紧急部,紧急制动时制动缸压力分2阶段上升。 采用间接控制方式,能适应各种大小的制动缸,控制阀本身带有两级或多级空重车调整功能 | 常用制动加速缓解 (120-1具有加速常用制动作用。供专线专用货车使用) | |||
主要的新结构 |
| 金属涨圈+滑阀研磨密封 | 金属涨圈+滑阀研磨密封 | 橡胶模板+滑阀研磨密封 其他部位:橡胶止阀,“O”型圈柱塞 | 橡胶模板+滑阀研磨密封 其他部位:橡胶止阀,“O”型圈柱塞 | |||
| 货车制动系统(配套制动部件) | |||||||
制动缸 |
| 非密封式制动缸 | 非密封式制动缸 | 密封式制动缸 | 密封式(旋压)制动缸 | |||
空重车装置 |
| —— | 具有两级手动空重车调整装置 | 控制阀本身带有两级或多级空重车调整装置,配以适当的传感阀,可实现两级或多级空重车自动调整 | 配用KZW等多级自动空重车调整装置 | |||
管路连接方式 |
| 螺纹连接、麻丝铅油密封 | 螺纹连接、麻丝铅油密封 | 法兰连接、橡胶垫密封 | 法兰连接、橡胶垫密封 | |||
塞门及管路附件 |
| 锥芯金属研磨塞门 | 锥芯金属研磨塞门 | 大通量球芯橡胶密封塞门及软管连接器 | 大通量球芯橡胶密封塞门及软管连接器 | |||
闸调器 |
| —— | —— | 双向闸调器 | 双向闸调器 | |||
闸瓦 |
| 铸铁闸瓦 | 中磷铸铁闸瓦 | 高摩合成闸瓦或铸铁闸瓦 | 高摩合成闸瓦 |
最后详细分析了国内重载组合列车发展历史:
1)万t以下重载列车【SS4G+55辆C70+SS4G+55辆C70】,同步性差,列车冲动大;
2)2万t重载组合列车【4×5000t编组列车(SS4G型机车按1+1+1+1编组)】、【2×1万t(SS4G型机车按1+2+1编组)】、【2×1万t(HXD型机车按1+1编组)】。
2. 3万吨重载组合列车制动系统工作机理与结构组成
1959年,美国首先进行了机车无线同步操纵(Locotrol)系统的试验,该系统由安装在头部本务机车上的主控设备和安装在从控机车的受控设备及无线通信系统组成。3年后开始用于编组200辆的18000t列车上,于1964年美国几大铁路公司相继大量采用该系统,20世纪70年代,该技术被澳大利亚、巴西等国的铁路采用。机车无线同步操纵(Locotrol)原理如图2所示。
图2 机车无线同步操纵(Locotrol)原理示意图
列车电控ECP制动控制系统由机车设备、车辆设备、机车/车辆识别模块(IDM)、电缆及连接装置、一套尾车装置(EOT)、辅助车端装置(AED)和一套配电/通讯系统构成。机车设备由ECP供电电源(TPS)、头端单元(HEU)、机车标记(LID)、事故记录器、列车通讯控制器(TCC))、ECP电缆收发器、ECP控制器和ECP控制输入接口装置(OIU)等组成。车辆设备由车辆控制装置(CCD)、辅助蓄电池、车辆标记(CID)、ECP管路集成装置等组成。ECP系统组成示意图如图3所示。
图3 ECP系统组成示意图
ECP从信号传递分为有线式和无线式两种。有线式是通过贯通全列车的电缆来传递及反馈信号的,无线式是在通过每节车上配备的无线电装置收发信号的。两种传递方式的ECP都有优缺点。其优缺点见表4所示。
表4 有线式与无线式ECP优缺点对比
ECP传递方式 | 优点 | 缺点 |
有线式 | 结构简单、可靠 | 不适用于经常解编的货物列车 |
需要考虑电缆压降的影响 | ||
无线式 | 比较灵活,适用于经常解编的货物列车 | 无线电信号易受干扰 |
需要考虑电源问题,可靠性有待提高 |
随着科技水平不断发展,Locotrol系列产品从诞生时庞大的受控系统设备演变成今天的集成小型化、功能模块化、信息可视化,并具有更高的可靠性,提高重载列车操纵的同步性,保证行车安全。机车无线同步操纵系统的优点和效果如表5所示。
表5 Locotrol的主要操作优点和效果
优点 | 效果 |
最佳的动力分配和制动操作 | 增加总吨位牵引能力(列车长度加长) |
改善设备利用率 | |
减少列车内部纵向受力 | |
减少乘务员数量需求 | |
减少列车在陡坡运行时的车钩受力 | 不需要有人驾驶的补机 |
更快的加速和减速 | 改善铁路通过能力 |
减小列车间隔 | |
更快的循环周期 | |
缩短停车距离(30%) | |
减少停车时间(22%) | |
增加牵引效率和减少滚动阻力 | 改善燃油的经济型(5%) |
减少轮缘和铁轨的磨耗 | |
更快的制动缓解作用 | 有效地减少制动管充风时间(60%) |
改善对低速列车的控制 | |
更平稳的制动动作 | |
改善对列车间隙效应的控制,减少货物损失 | |
可以将多个短列车联接成一个长列车 | 增加线路通过能力 |
简化调度场对列车分解的后勤支持 |
制动方式是指制动时列车动能的转移方式或制动力的获取方式。图4为制动方式的分类图。目前,国内外运行速度不超过120km/h的铁路货车的制动方式大都采用闸瓦摩擦制动。原因是闸瓦制动具有结构简单,制动控制方便,通过制动可起到对车轮踏面的清扫作用的优点。我国的25t轴重重载货物列车运行速度不超过120km/h,也应采用闸瓦制动的制动方式。
图4 制动方式分类图
空气制动机按参与主活塞平衡的压力多少可分为二压力机构和三压力机构两种,按列车管压强和主活塞动作是否直接控制制动缸的制动与缓解,又有直接作用和间接作用之分。图5为制动机的分类图。我国铁路货物列车编组与美国比较相似,编组较长,适合采用两压力机构制动机,我国的103、120型空气制动机均属于两压力机构制动机。
图5 制动机分类图
3. 3万吨重载组合列车制动系统总体方案设计与选型
(1)信号传递速度对比:ECP信号传递速度最快;
1)传统空气制动空气波速300m/s
2)Locotrol制动空气波速600m/s
3)ECP电子命令9000m/s
图6 制动方式信号传递速度及爬坡时车钩力对比
(2)充气时间对比:ECP和Locotrol充气时间比传统方式快了约60%;
(3)制动距离对比:ECP比传统方式减少了50%,Locotrol减少30%。
对于3万t重载组合列车,只从制动性能方面考虑,ECP是首选,从信号传递速度、充风时间、制动距离等各个方面都占有优势,且可靠性很高,但目前的ECP如果要投入使用,会造成对现有编组货车的改造太多,会损失时间效益和改装成本,且国内已经开行的2万t重载组合列车采用Locotrol同步操纵技术经过实际使用验证,满足使用要求。综合考虑3万t重载组合列车在控制系统上采用Locotrol同步操纵技术。
参考2万t重载组合列车编组形式,3万t重载组合列车考虑采用HXD2电力机车进行牵引(设计后文进行各电力机车对比),后部牵引货车考虑C80,由于HXD2电力机车具有单机牵引万t重载列车的能力,考虑采用3台HXD2电力机车牵引3万t总重的C80货车。由于车钩和翻车机限制,一般考虑3辆货车一个单元,翻车机一次作业卸货一个单元,3辆货车组成的单元两端采用可旋转的16型车钩,单元中部采用更加坚固且经济的17型车钩。即编组长度必须为3的整数倍,单个C80货车轴重25t,单个C80货车总重100t,万t列车编组为【HXD2+102辆C80】。考虑列车牵引和制动的安全性,在本来编组基础上外加一个SS4型电力机车,故3万重载组合列车编组有以下三种编组方式:
①1+1+1,【HXD2+102辆C80+HXD2+102辆C80+HXD2+102辆C80+SS4】;
②2+1,【HXD2+HXD2+102辆C80+102辆C80+HXD2+102辆C80+SS4】;
③1+2,【HXD2+102辆C80+102辆C80+HXD2+HXD2+102辆C80+SS4】;
其中编组方式①为考虑HXD2单机牵引万t货运列车的能力,直接将3列万t重载列车联接在一起,这种编组方式在采用Locotrol的情况下制动指令的传输最有效,制动距离较另外两种编组方式更短;编组方式②和编组方式③为考虑大秦线2万t重载组合列车加上万t重载列车,联接在一起就是3万t重载组合列车,但②是2万t在前,③是2万t重载组合列车在后,这两种方式在采用Locotrol的情况下制动指令传输基本相同,但在牵引时②前部牵引力大,应力最大车钩主要受拉应力,③前部牵引力小,应力最大车钩主要受压应力,由于车钩更加耐受静拉力,故编组方式②优于编组方式③;
综合考虑,编组方式①空气制动指令传输最快,牵引起动时所受车钩静拉力最小,且由于制动同步性最好,制动时车钩冲击力也最小,制动距离也最短,故本次设计中采用编组方式①,列车总编组310辆,总长4423.6m。
目前我国重载货车大量采用的制动机都是120型制动机,大秦线开行的2万t重载组合列车也采用的120型制动机。有相关文献表示能娉美AAR系列ABDW型制动机的国产150型制动机正在研制试验,但目前可以采用的性能最好的国产重载列车制动机只能是120型制动机。120型空气制动机构成简图如图6所示。
图6 120型空气制动机构成简图
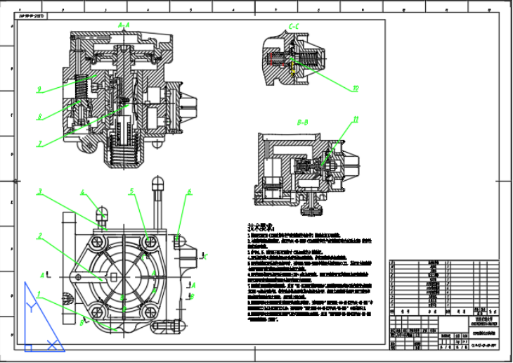
在此基础上绘制了120阀主阀体结构图(A1),为后期漏泄仿真奠定基础。
图7 120阀主阀体结构图
4.电力机车制动系统方案设计与选型
本章比较了SS4、HXD1、HXD2,这三种机车的相关参数,并确定选择HXD2电力机车为牵引机车。由于采用制动列尾机车牵引力可能不足,本着经济原则,在重载组合列车尾部加上一辆SS4电力机车。并在此基础上着重分析了HXD2电力机车制动系统,特别是熟悉电子操纵设备,论述了加入Locotrol同步操纵系统的可行性。最后再对电力机车的手制动装置、停放制动和附加设备进行分析,确保HXD2是最适合作为3万t重载组合列车牵引的电力机车。
表6 SS4、HXD1、HXD2车辆基本参数比较
参数/装备 | SS4型电力机车 | HXD1型电力机车 | HXD2型电力机车 |
UIC轴式 | Bo-Bo+ Bo-Bo | Bo-Bo+ Bo-Bo | Bo-Bo+ Bo-Bo |
轮径(mm) | 1200(半磨耗) | 1250(新轮) | 1250(新轮) |
车辆全长(mm) | 16416×2 | 17611×2 | 19025×2 |
轴重(t) | 23 | 23/25 | 23/25 |
最高速度(km/h) | 100 | 120 | 140 |
牵引功率(kW) | 6400 | 9600 | 10000 |
牵引力(kN) | 起动628 持续436.5 | 起动760 持续532 | 起动760 持续554 |
制动方式 | 踏面制动、加馈电阻制动 | 轮盘制动+再生制动 | 轮盘制动+再生制动 |
制动功率(kW) | 5570(电制动) | 9600 | 10000(电制动) |
制动力(kN) | 363 | 461 | 461 |
自动制动控制器的电气部件通过BCU(制动控制单元)产生所需的信号来控制Eurotrol,如果BCU故障,则通过备用制动模块来控制均衡风缸的压力。BCU(制动控制单元)或备用制动模块接收到来自制动控制器硬件接触信号后,控制均衡风缸的压力在一定的时间内变化。
图8 DBV(司机制动阀)原理图
在此基础上,完整绘制了HXD2电力机车制动系统原理图(A0)、HXD2电力机车基础制动装置结构图(A1)。
图9 HXD2电力机车制动系统原理图
图10 HXD2电力机车基础制动装置结构图
三、下一步工作计划
第五部分:车辆制动机方案设计与选型 —— 1周
第六部分:制动仿真与紧急制动距离计算校核 —— 2周
评阅及答辩:审定,装订,准备答辩 —— 1周
对于第五部分,阐述C80的制动性能,包括制动机、120空气制动阀、闸瓦、车钩等零部件,重点在于得出制动距离计算所需要的一些参数。
对于第六部分,重点在matlab/simulink进行制动仿真,具体进行3万t重载组合列车漏泄仿真与轮对和闸瓦的擦伤仿真。并在前面所有设计的基础上进行制动距离校核计算,如果满足要求则肯定前面所有设计;如果不满足要求则对前面设计进行部分更改再进行校核,直到满足要求为止。
对于评阅及答辩,认真出图,装订,做好ppt,准备答辩。
问题一:内容完整,逻辑相对清晰,工作量很足,但要抓紧仿真分析,所剩余时间不多。
回生答:好的,谢谢老师,我会尽快开始仿真,尽量2周之内完成漏泄仿真。
问题二:内容确实很充足,文献也查了很多,你成功进入了这个题目,但是深度不足,例如电力机车闸瓦制动与轮盘制动,究竟为什么选闸瓦制动,计算证明验证才是最佳的,而不只是选型或者看别人的结论得出结论。
回生答:明白了,我会进行一个简单的制动力和制动热负荷的计算,来验证闸瓦制动满足要求,闸瓦制动满足要求的情况下,由于闸瓦制动经济性明显比轮盘制动好,故在此情况下选择闸瓦制动即可。
问题三:图纸画的很不错,很仔细,但是有一些小问题,如主阀体结构图装配图有一些尺寸标注缺失,应该在后期修改,力求达到毕业设计图的标准。
回生答:好的,谢谢老师,我会仔细修改一些细节。
本此中期答辩,不仅我自身做了总结,清晰地对自己毕业设计的进度和质量有了认识,还有老师们对我的毕业设计做了大量指导,指导老师每周两次的指导也让我对毕业设计的每一步工作有清晰明了的方向,而我自己的努力也让这一切有了成果,满足了中期检查要求。
从选型设计到绘图,从论文格式到图纸格式,从仿真到各种计算,毕业设计将我四年所学整合起来,让我对以往知识有回顾,并且学到了很多新的东西,查阅引用文献的能力也有了极大提高。
在此感谢指导老师的辛勤指导,感谢各位评委老师的提问与解答。